|
|
|

|
|
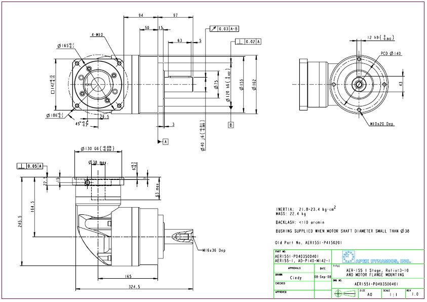
1. AER155 1´Ü °¨¼Ó±â ¿ÜÇüµµ. |
|

|
|
AER155 ½Ã¸®Áî ¿ÜÇüµµ ¹× Ä«´Ù·Î±×(AER155-(°¨¼ÓºñÀ²)
|
|
°¨¼Ó±â¸ðµ¨¸í: AER155-003,AER155-004,AER155-005,AER155-006,AER155-007,AER155-008,AER155-009,AER155-010
|
|
1. PDF
|
2. DXF(2D)
|
3. STP(3D)
|
4. IGS(3D)
|
4. AE Ä«´Ù·Î±×
|
|

|

|

|

|

|
|
¼º¸¸ðÅÍ
|
SERVO MOTOR MODEL¸í(¹Ì¾²ºñ½Ã Á¦Ç°)
|
|
MR-J4 ½Ã¸®Áî
|
HG-SR202, HG-SR202B,
HG-SR352, HG-SR352B, HG-SR502, HG-SR502B, HG-SR702, HG-SR702B
|
|
MR-J3 ½Ã¸®Áî
|
HF-SP202, HF-SP202B, HF-SP352, HF-SP352B, HF-SP502, HF-SP502B, HF-SP702, HF-SP702B
|
|
MR-J2S ½Ã¸®Áî
|
HC-SFS202, HC-SFS202B, HC-SFS352, HC-SFS352B, HC-SFS502, HC-SFS502B, HC-SFS702, HC-SFS702B
|
|
|
|
|
2. AER155 2´Ü °¨¼Ó±â ¿ÜÇüµµ. |
 |
|
AER155 ½Ã¸®Áî ¿ÜÇüµµ ¹× Ä«´Ù·Î±×(AER155-(°¨¼ÓºñÀ²)
|
|
°¨¼Ó±â¸ðµ¨¸í: AER155-015,AER155-020,AER155-025,AER155-030,AER155-035,AER155-040,AER155-045,AER155-050,AER155-060,AER155-070,
AER155-080,AER155-090,AER155-100
|
|
1. PDF
|
2. DXF(2D)
|
3. STP(3D)
|
4. IGS(3D)
|
5. AE Ä«´Ù·Î±×
|
|

|

|

|

|

|
|
¼º¸¸ðÅÍ
|
SERVO MOTOR MODEL¸í(¹Ì¾²ºñ½Ã Á¦Ç°)
|
|
MR-J4 ½Ã¸®Áî
|
HG-SR52, HG-SR52B,
HG-SR102, HG-SR102B, HG-SR152, HG-SR152B
HG-SR202, HG-SR202B,
HG-SR352, HG-SR352B, HG-SR502, HG-SR502B, HG-SR702, HG-SR702B
|
|
MR-J3 ½Ã¸®Áî
|
HF-SP52, HF-SP52B, HF-SP102, HF-SP102B, HF-SP152, HF-SP152B
HF-SP202, HF-SP202B, HF-SP352, HF-SP352B, HF-SP502, HF-SP502B, HF-SP702, HF-SP702B
|
|
MR-J2S ½Ã¸®Áî
|
HC-SFS52, HC-SFS52B, HC-SFS102, HC-SFS102B, HC-SFS152, HC-SFS152B
HC-SFS202, HC-SFS202B, HC-SFS352, HC-SFS352B, HC-SFS502, HC-SFS502B, HC-SFS702, HC-SFS702B
|
|
|
3. AE ½Ã¸®Áî °¨¼Ó±â SPEC. |
|

|
 |
|

|
|
|