|
|
|

|
|
1. AE ½Ã¸®Áî 1´Ü °¨¼Ó±â ¿ÜÇüµµ. |
|

|
|
(1´Ü °¨¼Ó, °¨¼Óºñ(Ratio) i=3~10)
|
 |
|
1. AE050°¨¼Óºñ 1/5¿Í 1/10¿¡ ÇÑÁ¤ÇØ C3=12mmÀ» optinal·Î Á¦°ø
2. AE070°¨¼Óºñ 1/5¿Í 1/10¿¡ ÇÑÁ¤ÇØ C3=16mmÀ» optional·Î Á¦°ø
3. AE090¿¡¼ C3=24mmÀ» optional·Î Á¦°ø, ´Ü ¿¬¼Ó¿îÀüÁ¶°Ç(S1 condition)¿¡¼´Â »ç¿ë»ó ÁÖÀǸ¦ ¿ä¸Á
4. C1~C11Àº Àû¿ë¸ðÅÍ¿¡ µû¶ó ´Ù¸¨´Ï´Ù. ´ç»ç ȨÆäÀÌÁö www.apexdynakorea.co.kr·Î Á¢¼ÓÇϽÅÈÄ Design ToolÀ» ÀÌ¿ëÇÏ¿© Ä¡¼ö¸¦ È®ÀÎÇÒ ¼ö ÀÖ½À´Ï´Ù..
|
|
STAGE
|
°¨¼Ó±â SIZE
|
1. PDF
|
2. DXF(2D)
|
3. STP(3D)
|
4. IGS(3D)
|
|

|

|

|

|
|
1´Ü
|
AE050
|

|

|

|

|
|
AE070
|

|

|

|

|
|
AE090
|

|

|

|

|
|
AE120
|

|

|

|

|
|
AE155
|

|

|

|

|
|
AE205
|

|

|

|

|
|
AE235
|

|

|

|

|
|
|

|
|
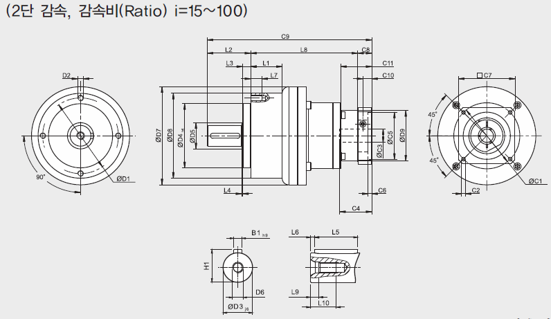
2. AE ½Ã¸®Áî 2´Ü °¨¼Ó±â ¿ÜÇüµµ.
|
 |
|
(2´Ü °¨¼Ó, °¨¼Óºñ(Ratio) i=15~100)
|
 |
|
|
|
STAGE
|
°¨¼Ó±â SIZE
|
1. PDF
|
2. DXF(2D)
|
3. STP(3D)
|
4. IGS(3D)
|
|

|

|

|

|
|
2´Ü
|
AE050
|

|

|

|

|
|
AE070
|

|

|

|

|
|
AE090
|

|

|

|

|
|
AE120
|

|

|

|

|
|
AE155
|

|

|

|

|
|
AE205
|

|

|

|

|
|
AE235
|

|

|

|

|
|
|
|
|

|
|
|