|
|
|

|
|
1. ABR115 1´Ü °¨¼Ó±â ¿ÜÇüµµ. |
|

|
|
ABR115 ½Ã¸®Áî ¿ÜÇüµµ ¹× Ä«´Ù·Î±×(ABR115-(°¨¼ÓºñÀ²)-S2-P2
|
|
°¨¼Ó±â¸ðµ¨¸í: ABR115-003-S2-P2,ABR115-004-S2-P2,ABR115-005-S2-P2,ABR115-006-S2-P2,ABR115-007-S2-P2,ABR115-008-S2-P2,ABR115-009-S2-P2,ABR115-010-S2-P2,ABR115-014-S2-P2,ABR115-020-S2-P2
|
|
1. PDF
|
2. DXF(2D)
|
3. STP(3D)
|
4. IGS(3D)
|
4. AB/ABR Ä«´Ù·Î±×
|
|

|

|

|

|

|
|
¼º¸¸ðÅÍ
|
SERVO MOTOR MODEL¸í(¹Ì¾²ºñ½Ã Á¦Ç°)
|
|
MR-J4 ½Ã¸®Áî
|
HG-SR52, HG-SR52B,
HG-SR102, HG-SR102B, HG-SR152, HG-SR152B
|
|
MR-J3 ½Ã¸®Áî
|
HF-SP52, HF-SP52B, HF-SP102, HF-SP102B, HF-SP152, HF-SP152B
|
|
MR-J2S ½Ã¸®Áî
|
HC-SFS52, HC-SFS52B, HC-SFS102, HC-SFS102B, HC-SFS152, HC-SFS152B
|
|
|
|
|
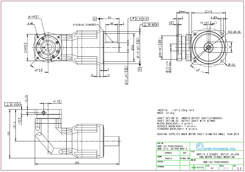
2. ABR115 2´Ü °¨¼Ó±â ¿ÜÇüµµ. |
 |
|
ABR115 ½Ã¸®Áî ¿ÜÇüµµ ¹× Ä«´Ù·Î±×(ABR115-(°¨¼ÓºñÀ²)-S2-P2
|
|
°¨¼Ó±â¸ðµ¨¸í: ABR115-015-S2-P2,ABR115-020-S2-P2,ABR115-025-S2-P2,ABR115-030-S2-P2,ABR115-035-S2-P2,ABR115-040-S2-P2,ABR115-045-S2-P2,ABR115-050-S2-P2,ABR115-060-S2-P2,ABR115-070-S2-P2,ABR115-080-S2-P2,ABR115-090-S2-P2,ABR115-100-S2-P2
|
|
1. PDF
|
2. DXF(2D)
|
3. STP(3D)
|
4. IGS(3D)
|
5. AB/ABR Ä«´Ù·Î±×
|
|

|

|

|

|

|
|
¼º¸¸ðÅÍ
|
SERVO MOTOR MODEL¸í(¹Ì¾²ºñ½Ã Á¦Ç°)
|
|
MR-J4 ½Ã¸®Áî
|
HG-KR73, HG-KR73B, HG-MR73, HG-MR73B, HG-SR52, HG-SR52B,
HG-SR102, HG-SR102B, HG-SR152, HG-SR152B
|
|
MR-J3 ½Ã¸®Áî
|
HF-KP73, HF-KP73B, HF-MP73, HF-MP73B, HF-SP52, HF-SP52B, HF-SP102, HF-SP102B, HF-SP152, HF-SP152B
|
|
MR-J2S ½Ã¸®Áî
|
HC-KFS73, HC-KFS73B, HC-MFS73, HC-MFS73B, HC-SFS52, HC-SFS52B, HC-SFS102, HC-SFS102B, HC-SFS152, HC-SFS152B
|
|
|
3. ABR ½Ã¸®Áî °¨¼Ó±â SPEC. |
|

|
 |
|

|
|
|